公司介绍
董事长致辞
领导团队
企业荣誉
领导关怀
宏达风貌
乐鱼最新首页登录
公司公告
公司新闻
媒体看宏达
行业新闻
政策法规
党建工会
党委
工委
宏达文化
文化理念
宏达之歌
营销中心
棒材
钢坯
线材
盘螺
产品认证
客户留言
客户留言
乐鱼(中国)
乐鱼(中国)
招聘信息
电商平台
首页
公司介绍
公司概况
董事长致辞
领导团队
企业荣誉
领导关怀
宏达风貌
乐鱼最新首页登录
公司公告
公司新闻
媒体看宏达
行业新闻
政策法规
党建工会
党委
工会
宏达文化
文化理念
宏达之歌
营销中心
棒材
钢坯
线材
盘螺
产品认证
客户留言
乐鱼(中国)
乐鱼(中国)
招聘信息
电商平台
公司介绍
公司概况
董事长致辞
领导团队
企业荣誉
领导关怀
宏达风貌
乐鱼最新首页登录
公司公告
公司新闻
媒体看宏达
行业新闻
政策法规
党建工会
党委
工委
宏达文化
文化理念
宏达之歌
营销中心
棒材
钢坯
线材
盘螺
产品认证
客户留言
客户留言
乐鱼(中国)
乐鱼(中国)
招聘信息
电商平台
乐鱼最新首页登录
首页
乐鱼最新首页登录
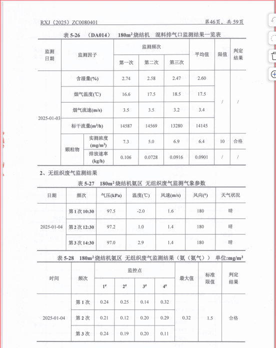
2025年第一季度污染物自行监测
2025年第一季度污染物自行监测
时间:
2025-04-05
2025年第二季度污染物自行监测报告
2025年4月份水污染物自行监测报告
400-635-6661(售后投诉)
sxhdjt@163.com
开云体验app官网入口登陆入口
|
开云体云app官网登录入口
|
开云电子买球
|
开云官方端网站
|
星空·官方端网站登录入口
|
球盟会体育
|
新利网页版在线
|
开云网页版leyu登录界面
|
乐鱼官方端网站登录入口
|